Montáž a technické informace
Skrytá montáž do podomítkové schránky
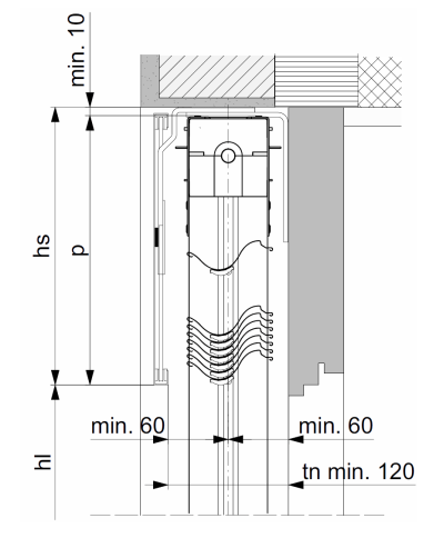
Zapuštěná montáž s krycím plechem
ROZMĚRY
Jediná žaluzie
| Pohon |
šířka min. (bk) |
šířka max. (bk) |
výška min. (hl) |
výška max. (hl) |
plocha max.[m2] |
| klika |
500 |
2800 |
440 |
4000 |
6.5 |
| motor |
700 |
8 |
|
Propojené žaluzie
| Pohon |
šířka max. (bk) |
výška max. (bk) |
max počet markýz |
propojených markýz max. |
plocha max.[m2] |
| klika |
8400 |
4000 |
3 |
2 |
5 |
| 3 |
4 |
| motor |
4000 |
2 |
2 |
4.8 |
|
Výška schránky
| Světlá výška (hl) |
Výška schránky (hs) |
| 400-1000 |
270 |
| 1001-1250 |
285 |
| 1251-1500 |
310 |
| 1501-1750 |
340 |
| 1751-2000 |
365 |
| 2001-2250 |
390 |
| 2251-2500 |
420 |
| 2501-2750 |
445 |
| 2751-3000 |
470 |
| 3001-3250 |
500 |
| 3251-3500 |
525 |
| 3501-3750 |
550 |
| 3751-4000 |
580 |
|